0.00грн
Зробити замовленняІндикатор-балансувальник роторів обертових машин ИБР-02
ИБР-02 призначений для контролю вібрації машин, що обертаються, забезпечення динамічного балансування (одно- і двоплощинного) їх роторів у власних підшипниках, центрування валів горизонтальних ..
25 400.00грн
До кошика Безконтактний аерозольний розпилювач Ultra
Технологія Ultra ™ пропонує даний безконтактне рішення з дозволом в піколітрів для обробки і виявлення рідин.
Платформа для розпилення може виробляти один динамічний діапазон крапельного обся..
0.00грн
До кошика Компресори високого тиску ЭКПА - 2/150
Установки компресорні високого тиску серії ЭКПА-2/150
Компресори високого тиску серії ЭКПА-2/150, призначені для нагнітання повітря в балони і автоматичної підтримки в них тиску в межах 150..
0.00грн
До кошика Насоси для хімвиробництв Nikkiso KSB GmbH A-1, VOF22-D2
Продуктивність 14 м3/год
Стовп 192 м
Потужність 30 кВт
380В
Частота обертання 2935 об/хв
IP 65
рік випуску 2012..
1.00грн
До кошика Насоси для хімвиробництв Nikkiso KSB GmbH
AP-100, HM22D-B3 (насос HM22D-B3)
Модель: AP-100, HM22D-B3
Продуктивність 3,68 м3/год
Стовп 39,4 м
Потужність 10 кВт
380В
Частота обертання 2580 об/хв
IP 65
рік випуску 2013..
1.00грн
До кошика Полімерна трубопровідна арматура із ПВДФ (PVDF)
AGRU PVDF СH 1
№ п/п Найменування Перетин Кількість
1 Труба ПВДФ (PVDF) PN 10 SDR 33/ISO-S16 160мм 15,7м
2 Труба ПВДФ (PVDF) PN 10 SDR 33/ISO-S16 90мм 10м
3 Труба ПВДФ (PVDF) PN 16 SDR 33/I..
0.00грн
До кошика Стенд перевірки і настройки клапанів
Опис
Основним призначенням стенду є перевірка клапана дихального на герметичність, а також його налаштування на вакуум і тиск спрацьовування.
На стенді можуть перевірятися дихальні клапани КДМ, ..
0.00грн
До кошика Коерцитиметр - структурометр КСП-01
Коерцитиметри - Структуроскопи КСП-01 призначений для неруйнівного локального контролю механічних властивостей феромагнітних матеріалів при наявності однозначної кореляційної зв'язку між піддослідними влас..
89 000.00грн
До кошика Металошукач конвеєрний МК-1М
Металошукач конвеєрний МК-1М призначений для виявлення металевих предметів в потоці неметалічних матеріалів при транспортуванні їх на неметалевих конвеєрних стрічках. МК дозволяє виявляти металеві предмети з марганцовіст..
0.00грн
До кошика Металошукач конвеєрний МК-3
Металошукач конвеєрний МК-3 (далі МК-3) призначений для контролю сипучих матеріалів (непровідних або слабо проводять), упакованих в мішки, на конвеєрі на наявність в них металевих включень (кольоровий і чорний метал), зок..
0.00грн
До кошика Пневматичний класифікатор ПК-2
Область застосування ПК-2 - контроль фракційного складу сухих сипучих матеріалів на ситах з розміром чарунки у світлі від 0, 045 мм до 1, 5 мм.
Спосіб класифікації
Поділ матеріалу відбувається під в..
0.00грн
До кошика Пневматичний класифікатор ПК-2А
Область застосування: Контроль фракцій товарного азбесту 2-6 груп.
Спосіб класифікації:
Поділ матеріалу повітряними потоками на ситах з певним розміром осередків.
Комплект сит: сита з ..
0.00грн
До кошика Інтелектуальна ультразвукова система контролю рівня мастила LUBExpert Dynamic | SDT
LUBExpert Dynamic ультразвукове рішення, яке допомагає правильно змащувати підшипники, оцінювати їх стан та пов'язувати відділи діагностики та мастила. Система LUBEx..
0.00грн
До кошика Додаткове обладнання для карбідокремнієвих (селітових) нагрівачів.
Електричні конектори
Електричні конектори закріплюються пружинним затискачем із нержавіючої сталі. Є колодки затискачів, виконані в металевому обплетенні, амперні значення 25, 50, 1..
0.00грн
До кошика Інтелектуальна ультразвукова система для контролю рівня мастила LUBExpert Static SDT
Інтелектуальна ультразвукова система для контролю рівня мастила LUBExpert Static переносить процес змащування на новий рівень, портативний прилад дозволяє проводити..
0.00грн
До кошика Форма для сирної пасхи 0,8 л
Форма для сирної пасхи 0,8 л (Пасочниця дерев'яна, липа)
тел. (050) 254-05-15
Форма для сирної пасхи 0,8л.
Внутрішні розміри основи – 13,5см*13,5см
Висота – 11см
Орієнтовна місткість – 0,8л
Дерев'..
560.00грн
До кошика Форма для сирної пасхи 1,6л (Дерев'яна пасочниця)
тел. (050) 254-05-15
Форма для сирної пасхи 1,6л.
Внутрішні розміри основи - 16см * 16см
Висота – 17см
Орієнтовна місткість – 1,6л
Дерев'яна пасочниця, опис
Форми для сирних пасок в..
580.00грн
До кошика Балком-1А (двоканальний віброметр-балансувальник)
1.1.Призначення
Прилад Балком-1А призначений для динамічного балансування роторів у зборі (у підшипниках). Балансування здійснюється в одній або двох площинах корекції. При динамічному балансуванні ..
34 200.00грн
До кошика Балком-4 – вимірювальна система для оснащення балансувальних верстатів для карданних валів.
Балансувальний комплект «Балком-4» призначений для оснащення нових або модернізації існуючих балансувальних верстатів для карданних валів. ..
45 600.00грн
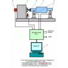
До кошика Балансувальний комплект «Балком 2С» для використання як вимірювально-обчислювальна система в балансувальних верстатах.
Прилад «Балком 2С» призначений для використання у складі балансувального верстата як вимірювально-обчислюв..
40 800.00грн
До кошика Портативний віброметр-балансувальник Арбаланс
Портативний віброметр-балансувальник Арбаланс призначений для динамічного балансування промислового обладнання у зборі у власних підшипниках.
Арбаланс забезпечують високу якість та продуктивність динамі..
36 000.00грн
До кошика Кріорефрижератори Гіффорд - Макмагона
Призначення: кріостатування різних об'єктів з тепловиділенням від 0,2...1 до 300 Вт у діапазоні температур від 4,2 до 200 К.
Застосування: охолодження кріопанелей кріонасосів, очищення, зрідження газів, калібру..
0.00грн
До кошика 